發布日期:2022-03-17 瀏覽:2435 次
如圖3所示,是串級式220KV電壓互感器的結構圖。與110KV的電壓互感器不同的是,該互感器使用了兩個平衡線圈,并且中間有個連耦線圈,通過這種方法將電壓分成上部分的¼U,中間部分的½U,和下部分的¼U。

末端屏蔽法:
末端屏蔽法測量原理接線圖如圖4所示。在這種方法中,由圖5所示,測量的是下鐵芯上一次繞組端部對二次繞組端部的電容。測試時使用10kv電壓測量。在本次試驗中,由末端屏蔽法測得的數據為:

正接法:
正接法測量原理接線圖如圖6所示。在這種方法中,由圖7所示,可以測量到一次繞組及靜電屏對二次繞組的電容。測試時使用2500v電壓測量。在本次試驗中,由正接法測得的數據為:

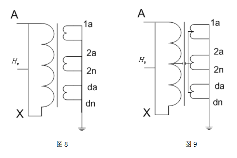
反接法:
反接法測量原理接線圖如圖8所示。在這種方法中,由圖9所示,測量的是一次繞組對二次繞組間的電容和一次繞組對地的雜散電容。測試時使用2500v電壓測量。在本次試驗中,由反接法測得的數據為:

由于在現場試驗時,很多試品的接地不能拆除,所以反接線法的應用比較廣泛。但是反接法容易受到干擾而增大測量誤差。

末端加壓法:
末端加壓法測量原理接線圖如圖10所示。在這種方法中,由圖11所示,可以測得的介質損耗部位主要是一次繞組及靜電屏對二次繞組間。測試時使用2500v電壓測量。在本次試驗中,由末端加壓法測得的數據為:

數據分析:
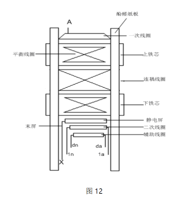
從以上的試驗中得到的數據可以看出,末端屏蔽法所測得的電容值與其他幾種方法測得的數據有著較大差異。如圖12所示,在電磁式電壓互感器內部,一次繞組和二次繞組之間有靜電屏蔽層存在,而末屏與X端相連接。在以上所述的4種方法中,除了末端屏蔽法之外,其他各種方法都在X端施以電壓,使末屏上帶以高電位,而末端屏蔽法中由于末屏是接地的,是零電位。所以末端屏蔽法所測量的電容不是整個靜電屏對二次的電容,而是一次繞組末端到二次繞組首端的電容,這個值比較小,變化也更靈敏。

在對串級式電壓互感器進行介損測量時,末端屏蔽法有著以下三點好處:(1)測試時被試互感器一次繞組A端加高壓,末端接地或者屏蔽,這一方法能排除由于X端小套管或二次端子板贓物、受潮、有裂紋所產生的測量誤差,從而能較真實的反應互感器內部絕緣情況。(2)末端屏蔽法測量時一次繞組空載,其勵磁感抗和鐵損感抗并聯在電源之間,并未包括在測量回路及結果中,所以不會引起增大的測量誤差。(3)末端屏蔽法對于發現互感器進水受潮比其他方法更靈敏。互感器進水受潮后,水分沉積到下部,下鐵芯及其端部繞組易受潮,而繞組內部相對受潮并不嚴重。末端屏蔽法測量的正是一般易于受潮的下鐵芯對二次繞組端部的絕緣,故能更靈敏的發現受潮缺陷問題。
試驗接線:
以末端屏蔽法為例介紹接線方法。
1. 儀器接地
2. 試品N端接地
3. 試品A端接儀器(先接屏蔽線)
4. 將各二次繞組尾端1n,2n,dn短接后接儀器Cx端
5. 確保1a,2a,da懸空
6. 為儀器接通電源線
在各種方法中,接線方法都類似,先接地線,再接其他測量線等,最后接通電源線。
試驗步驟:
1) 填寫工作票,編寫作業控制卡,辦理工作許可手續;
2) 檢查并抄寫電磁式電壓互感器銘牌數據,并記錄環境溫濕度;
3) 檢查電源是否符合220V要求,并檢查漏電保護器能否正常工作;
4) 進行試驗接線;
5) 連接電源盤電源線,連接儀器電源線,打開電源開關,選定測量模式后啟動高壓允許開關,調整電壓到合適值,開始測量;
6) 等待測量完成,斷開高壓允許開關,記錄測量結果;
7) 測量結束,斷開儀器總電源開關,斷開電源盤開關,拔掉電源插頭;
8) 拆除試驗引線前要先對被試設備和附近導電體進行放電。放電先用帶電阻端放電后再用接地端直接接地放電;
9) 掛好接地棒,拆除接線,清理現場。
試驗標準:
對于220kv的電壓互感器,進行交接試驗時,tanδ應不大于2%,電容量Cx的偏差不應大于±5%;進行預防性試驗時,tanδ應不大于2.5%,電容量Cx的偏差應不大于±5%。
試驗注意事項:
1. 實驗前后對試品充分放電。
2. 在試驗時外殼接地端必須始終接地。
3. 在雷雨等惡劣天氣時禁止試驗。
4. 在空氣濕度大于80%的天氣禁止試驗。
5. 試驗時要做好有感應電壓影響的防范措施。
優力克電力是電力試驗設備的生產廠家,我們的產品全程提供專業的技術服務。

本公司生產全面貫徹 ISO9001:2015 質量管理體系認證證書及文字商標和圖片商標注冊

本公司與武漢各大高校和武漢高壓研究所有著緊密合同關系,有著明細的技術優勢和穩定技術方案

公司具有專業的銷售和技術支持團隊隨時了解和客戶溝通產品的應用情況,提供一對一高效專業的服務

產品全部執行ISO9001質量管理體系,SMT自動化的生產,半成品檢測,成品檢測拷機,讓每一個產品都經過5次以上的100%測試,確保產品質量100%

公司具有精準的預期備貨和保持穩定的安全庫存,滿足客戶的緊急需求和批量性采購需求

公司產品每年抽樣送第三方檢驗(如湖北省技術監督局、武漢市計量院),符合出廠標準和第三方檢測指標要求